Home › Unlabelled ›
1988 Chevy S10 Wiring Diagram - Diagram 1988 Chevy S 10 Wiring Diagram Full Version Hd Quality Wiring Diagram Logicdiagram Sciclubladinia It : Search our online engine wiring harness catalog and find the lowest priced discount auto parts on the web.
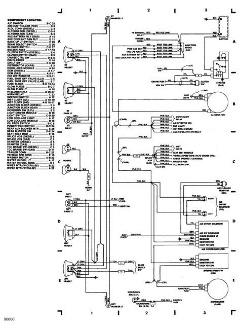
1988 Chevy S10 Wiring Diagram - Diagram 1988 Chevy S 10 Wiring Diagram Full Version Hd Quality Wiring Diagram Logicdiagram Sciclubladinia It : Search our online engine wiring harness catalog and find the lowest priced discount auto parts on the web.. Where the light green wire is its black on the new one and it runs down to the starter.any help. Ignition module, battery, ignition coil, distributor cap and rotor, spark plug wires, tps. And would like to share them, please send to chevymanuals@yahoo.com. The output and sensor wire (#2) should go to the main power distribution location, as shown, not to the battery. Wiring diagrams comprise certain things.
Gahi's diagram is the correct way to wire a gm 10si/12si, and utilize all the benefits of that great design. These diagrams are easier to read once they are printed. The cd's they sell as service manuals only have generic wiring diagrams and are useless because the. Right click on the diagram/key/fuse box you want to download. Related manuals for chevrolet 2002 s10 pickup.
Pin On Wiring Diagrams from i.pinimg.com Related manuals for chevrolet 2002 s10 pickup. 88 1988 chevrolet s10 engine wiring harness 4.3l v6 msd. 800 x 600 px, source: And would like to share them, please send to chevymanuals@yahoo.com. Save the diagram to your hard drive, remember where you put it! I have a 1991 chevy s10 and my brake lights don't work i step on the brake pedal and the test light turns on but the brake lights don't turn on i lose power before it gets to the fire wall i looked for the orange wire but i lose it bwnt the wires i am not sure if it. What is the wiring diagram for the o2 sensor on 2000 s10 blazer. The electric scheme never shows the actual image of a set of objects, but only shows their connection with each other.
88 1988 chevrolet s10 engine wiring harness 4.3l v6 msd.
Save the diagram to your hard drive, remember where you put it! A chevy s10 wiring diagram is located within the service manual. I bought the motor wiring harness for a v8. 88 1988 chevrolet s10 engine wiring harness 4.3l v6 msd. Related manuals for chevrolet 2002 s10 pickup. View and download chevrolet 2002 s10 pickup owner's manual online. Gahi's diagram is the correct way to wire a gm 10si/12si, and utilize all the benefits of that great design. Go to autozone.com and you can register any type car and they have pretty good prints and service manuals on line. Automobile chevrolet 2002 prizm owner's manual. Ignition module, battery, ignition coil, distributor cap and rotor, spark plug wires, tps. I have a 64 c10 it had a 6 in it and i put a v8. A wiring diagram is a kind of schematic which uses abstract pictorial symbols to exhibit every one of the interconnections of components in a very system. I need a wiring diagram for the plugs that plug into the back of the fuse panel for a 1998 s10 blazer 43 4x4 vortec.
1991, 1992, 1993 chevrolet s10 pickup. An electrical circuit diagram is a graphic representation of special characters and pictograms that are connected in parallel or in series. I have an 89 chevy s10 i just rebuilt my motor and overhauled the complete truck just waiting on a new paint job. The cd's they sell as service manuals only have generic wiring diagrams and are useless because the. Go to autozone.com and you can register any type car and they have pretty good prints and service manuals on line.
Chevrolet S10 1988 Fuse Box Block Circuit Breaker Diagram Carfusebox from www.carfusebox.com Right click on the diagram/key/fuse box you want to download. Search our online engine wiring harness catalog and find the lowest priced discount auto parts on the web. Volvo fm7, fm10, fm12 lhd wiring diagram group 37 release 02.pdf. It outlines the location of each component and its function. 1a and 1c contact form available. Save the diagram to your hard drive, remember where you put it! What about a v8 wiring diagram? Thus, if you know how to read the wiring diagrams.
A chevy s10 wiring diagram is located within the service manual.
The electric scheme never shows the actual image of a set of objects, but only shows their connection with each other. Automobile chevrolet 2002 prizm owner's manual. Blower motor circuit, blower resistor circuit, blower switch circuit. These diagrams are easier to read once they are printed. Is a relay or a fuse i am lost. View and download chevrolet 2002 s10 pickup owner's manual online. I have an 89 chevy s10 i just rebuilt my motor and overhauled the complete truck just waiting on a new paint job. And would like to share them, please send to chevymanuals@yahoo.com. 800 x 600 px, source: Volvo truck wiring diagrams free download. Go to autozone.com and you can register any type car and they have pretty good prints and service manuals on line. This typical circuit diagram of the blower motor applies to the 1991, 1992, 1993 2.8l v6 chevrolet s10 and gmc s15 pick ups. The cd's they sell as service manuals only have generic wiring diagrams and are useless because the.
800 x 600 px, source: Related manuals for chevrolet 2002 s10 pickup. Chevrolet s10 replacement engine wiring harness information. A wiring diagram is a kind of schematic which uses abstract pictorial symbols to exhibit every one of the interconnections of components in a very system. V6 4.3l z 4wd engine and transmission 2yrs old.
Alternator Wiring Diagram Chevy S10 745li Fuse Diagram Yjm308 Xp13 Khalifah Ustmaniah Pistadelsole It from 67-72chevytrucks.com Chevrolet s10 replacement engine wiring harness information. Where can i get wiring. My 88 chevy s10 blazer refuses to start. Ignition module, battery, ignition coil, distributor cap and rotor, spark plug wires, tps. You could be a specialist who intends to try to find recommendations or fix existing problems. I have a 64 c10 it had a 6 in it and i put a v8. Check all grounds and looked fine so i ran a jumper wire from the horn to the radio, and guess what everything works now,but still got to find the short someplace but rite now i'm leaving it alone c. And would like to share them, please send to chevymanuals@yahoo.com.
Wiring diagrams comprise certain things.
Automobile chevrolet 2002 prizm owner's manual. Is a relay or a fuse i am lost. The electric scheme never shows the actual image of a set of objects, but only shows their connection with each other. 1991, 1992, 1993 chevrolet s10 pickup. Trying to find information concerning wiring schematics for 1988 chevy s10? And would like to share them, please send to chevymanuals@yahoo.com. Thus, if you know how to read the wiring diagrams. Check all grounds and looked fine so i ran a jumper wire from the horn to the radio, and guess what everything works now,but still got to find the short someplace but rite now i'm leaving it alone c. I have an 89 chevy s10 i just rebuilt my motor and overhauled the complete truck just waiting on a new paint job. What about a v8 wiring diagram? Search our online engine wiring harness catalog and find the lowest priced discount auto parts on the web. Wiring diagrams comprise certain things. A wiring diagram is a kind of schematic which uses abstract pictorial symbols to exhibit every one of the interconnections of components in a very system.